QR код
Продукция
Контакты


Факс
+86-574-87168065

Электронная почта

Адрес
Промышленная зона Luotuo, район Чжэнхай, город Нинбо, Китай
Универсальная связь Raydafon SWC-WF без гибкого фланца производится только для высокого кругового передачи в тяжелой технике-Металлургическое оборудование, краны, краны, горные системы, все жесткие установки, которые нуждаются в постоянной мощности. Он имеет негибкую конструкцию фланца, диаметры вращения в диапазоне от 160 мм до 640 мм, и этот универсальный тип фланца обрабатывает большие угловые смещения плюс непрерывные скорости вращения без проблем, даже при работе в супер требовательных условиях. Мы используем высокопрочную сталь 35CRMO для его построения, поэтому она идеально подходит для интенсивных нагрузок-эксплуатационно, почему это лучший выбор для универсальных муфт для тяжелых технических машин и не FLEX Universal Couplings для промышленных применений. Точное производство Raydafon гарантирует, что оно обеспечивает твердую производительность каждый раз, особенно для отраслей, которые не могут пойти на компромисс с постоянной доставкой крутящего момента.
Эта универсальная муфта SWC-WF построена на длительный срок, с жестким фланцевым соединением, которое облегчает установку в таких системах, как судостроительные диски и холмистые мельницы-места, где осевое движение не так много. Мы строго следуем стандартам ISO 9001, и наша заводская фабрика в Китае использует расширенную обработку, а также тесные проверки качества, чтобы сделать это прочное универсальное соединение фланца. Он поставляется в настраиваемых размерах с рейтингом крутящего момента до 1250 кН · м, поэтому он вписывается в пользовательские универсальные муфты для металлургического оборудования и других сильных настройки. Raydafon также предлагает индивидуальные решения по конкурентоспособным ценам, помогая сократить время простоя и повысить надежность вашего оборудования.
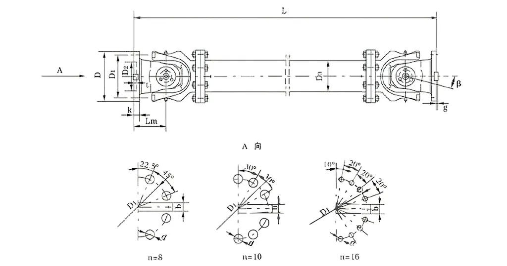
| Нет. | Диаметр вращения d мм | Номинальный крутящий момент Теннесение Кн · м | Угол сгиба β (°) | Усталый крутящий момент Тфу Кн · м | Размер (мм) | Вращающаяся инерция кг2 | Вес (кг) | |||||||||||
| Лмin | D1 (JS11) | D2 (H7) | D3 | Лм | н-д | k | t | b (H9) | g | Лмin | Увеличивать 100 мм | Лмin | Увеличивать 100 мм | |||||
| SWC285WF | 285 | 90 | 45 | ≤15 | 810 | 245 | 170 | 194 | 160 | 8-21 | 27 | 7 | 40 | 15 | 2.664 | 0.051 | 220 | 6.3 |
| SWC315WF | 315 | 125 | 63 | 915 | 280 | 185 | 219 | 180 | 10-23 | 32 | 8 | 40 | 15 | 4.469 | 0.0795 | 300 | 8.0 | |
| SWC350WF | 350 | 180 | 90 | 980 | 310 | 210 | 267 | 194 | 10-23 | 35 | 8 | 50 | 16 | 7.388 | 0.2219 | 412 | 15.0 | |
| SWC390WF | 390 | 250 | 125 | 1100 | 345 | 235 | 267 | 215 | 10-25 | 40 | 8 | 70 | 18 | 13.184 | 0.2219 | 588 | 15.0 | |
| SWC440WF | 440 | 355 | 180 | 1290 | 390 | 255 | 325 | 260 | 16-28 | 42 | 10 | 80 | 20 | 23.250 | 0.4744 | 880 | 21.7 | |
| SWC490WF | 490 | 500 | 250 | 1360 | 435 | 275 | 325 | 270 | 16-31 | 47 | 12 | 90 | 22.5 | 40.750 | 0.4744 | 1173 | 21.7 | |
| SWC550WF | 550 | 710 | 355 | 1510 | 492 | 320 | 426 | 305 | 16-31 | 50 | 12 | 100 | 22.5 | 68.480 | 1.3570 | 1663 | 34.0 | |
| SWC620WF | 620 | 1000 | 500 | 1690 | 555 | 380 | 426 | 340 | 10-38 | 55 | 12 | 100 | 25 | 127.530 | 1.3570 | 2332 | 34.0 | |
* 1. TF-под руководством чередования загружает крутящий момент, который позволяет в соответствии с силой усталости.
* 2. L-INSTALL Длина, которая соответствует требованиям.
SWC-WF Raydafon без гибкого фланца универсальная соединительная связь-также называется универсальным соединением суставов SWC Cardan-рабочих, работающих на основной механической идее: она получает крутящий момент от двух неколлинеарных валов, куда он должен идти, и он также обрабатывает смещение. В этом высокопрозрачном универсальном соединении соединении используется перекрестная установка для связи фланцев на обоих концах, поэтому даже когда валы смещаются до 25 градусов или имеют осевые/радиальные отклонения, она все еще плавно перемещает вращательную мощность.
Сердцем того, как он работает, является универсальный дизайн сустава - есть поперечный вал, который действует как поворот, позволяя каждому фланце двигаться самостоятельно. Таким образом, крутящий момент переходит от приводного вала к приводному валу эффективно, и он компенсирует угловые смещения, не ставя слишком большого напряжения на части, с которыми они связаны. Если вам нужна надежная универсальная соединительная связь с тяжелыми мощными соединениями для операций на холмистых мельницах, эта жесткая, негибкая фланцевая структура сохраняет стабильную, что идеально подходит для краткосрочных соединений в компактных настройках тяжелых машин.
Что выделяет его функцию, так это то, что у него нет гибких деталей или функций расширения - это отличает ее от других типов и делает его отличным для мест, где осевое движение минимально. Прочный универсальный соединительный вал SWC, который мы используем при подъеме и оборудовании для обработки материалов, опирается на этот принцип, чтобы оставаться сбалансированным даже при больших нагрузках; Он достигает эффективности передачи до 98,6% и не тратит много энергии. Это промышленное универсальное соединение также сокращает вибрации благодаря точным движению подшипника, поэтому она проходит гладко даже в ситуациях с высоким уровнем стресса-подобно тяжелым системам универсального соединения с тяжелым механизмом, которые вы увидите на жестких промышленных рабочих местах.
Кроме того, у универсального соединения Raydafon SWC Dude Universal Coupling есть сварные фланцы, чтобы сделать его более крепкими-никто не беспокоится о том, что болты ослабляют, и это повышает общую прочность на 30-50%. В качестве эффективного универсального соединения соединений для большей передачи мощности она обрабатывает номинальные крутящие моменты от 0,15 до 1000 кН · м и имеет диаметры вращения от φ58 до φ620, что делает его верхним выбором для энергосберегающих решений универсального соединения в промышленных передачах. И с шумом, сохраненным от 30-40 дБ (а), это универсальное соединение с низким шумом успокаивает тихо, что идеально подходит для промышленных мест, где шум является проблемой, при этом поддерживая высокие стандарты надежности.
Универсальное соединение Raydafon SWC, часто называемое универсальным соединением SWC Cardan Wans Waft - это не просто обычная часть; Это необходимо для тяжелых промышленных установок, таких как прокатные мельницы, подъемное оборудование и всевозможные тяжелые машины. Как универсальная соединительная связь с высоким точками, она выполняет твердую работу, связывающую два вала трансмиссии, которые не выстраиваются идеально, следя за тем, чтобы мощность продолжала течь, даже когда условия работы становятся грубыми.
Давайте поговорим о его ключевых характеристиках: диаметр вращения варьируется от φ58 до φ620, номинальный крутящий момент переходит от 0,15 до 1000 кН · м, а угла сгиба оси не более 25 °.
Этот продукт действительно сияет в определенных сценариях-например, когда вам нужна надежная универсальная соединительная связь с тяжелыми универсальными соединениями для операций на холмистых мельницах, или долговечное соединение универсального вала SWC с оборудованием для подъема и обработки материалов. В этих случаях это доказывает свою ценность, сохраняя стабильную деятельность, даже когда он имеет дело с тяжелыми нагрузками.
Универсальное соединение Raydafon SWC Universal Coupling не просто создано для функции-она спроектирована с интеллектуальным дизайном для промышленного использования и продолжать хорошо работать в долгосрочной перспективе. Давайте разберем то, что выделяет ее структуру.
Во -первых, он имеет разумную и безопасную конфигурацию: мы использовали интегрированную конструкцию головы вилки для этой промышленной универсальной соединения, которая сокращает риски, такие как болты, выходящие на свободу или разбившись. Это само по себе повышает его структурную целостность на 30%-50%, поэтому он работает безопасно и надежно. По сравнению с обычными муфтами, он длится дольше и избегает общих сбоев в местах с высоким уровнем стресса-таких как тяжелые машины универсального соединения, которые вы видите на жестких работах.
Тогда есть его улучшенная грузоподъемная способность: эта универсальная соединительная связь SWC с тяжелыми силами создается для обработки больших весов, поэтому это необходимо в местах, которые требуют первоклассного управления нагрузкой, таких как добыча или строительный механизм.
Это также обеспечивает высокую эффективность передачи - до 98,6%. В качестве эффективного универсального соединения соединения для большой передачи мощности она сокращает использование энергии и затраты, которые поступают с ней. Вот почему это лучший выбор для энергосберегающих универсальных решений для соединения в мощных промышленных настройках передачи.
И он работает гладко с низким уровнем шума: он сохраняет устойчивую передачу, а шум обычно остается между 30-40 дБ (а). Эта универсальная соединительная связь с низким шумом гарантирует, что операции остаются спокойными, что идеально подходит для мест, где шум является проблемой-при этом сохраняет надежность на высоком уровне.
⭐⭐⭐⭐⭐ Chen Liang, производственный инженер, Zhejiang Machinery Co., Ltd.
Мы поставили SWC-WF Raydafon без универсальной связи типа Flex Flance на одну из наших производственных линий, и до сих пор она отлично работает. Структура простая, но жесткая - устоявшаяся, это был ветерок, без сложных шагов. После того, как он будет настроен, он работает гладко, не нужно дополнительные настройки. Даже когда нагрузка тяжелая, эта связь остается надежной, а это значит, что мы можем держать машины работать долгие часы, не беспокоясь о том, что определенно дает нам больше душевного спокойствия.
⭐⭐⭐⭐⭐ Sun Mei, руководитель покупателей, Hebei Steel Co., Ltd.
Наша компания купила несколько SWC-WF без гибкого фланца универсальные муфты у Raydafon, и, во-первых, доставка была прямо вовремя, и упаковка тоже была осторожна-вовсе не повреждает. Что действительно выделяется для меня, так это то, что команда мастерской сказала: они сказали мне, что муфты легко установить, и при их использовании они чувствуют себя действительно твердыми. Кроме того, по сравнению с другими поставщиками, цена здесь справедливо. В общем, мы действительно довольны этой покупкой.
⭐⭐⭐⭐⭐ Guo Jun, менеджер по техническому обслуживанию, Liaoning Heavy Industry Group
Моя работа состоит в том, чтобы поддерживать работу наших машин, и я стараюсь сократить время простоя как можно больше. С тех пор, как мы начали использовать Универсальную связь Raydafon SWC-WF без универсальной связи типа Flex Flance, я заметил большую разницу-беспризорное износ с точки зрения и намного меньше проблем во время работы. Дизайн жесткий, и он не нуждается в большом обслуживании. Это экономит нас и время, и деньги, и это оказалось супер надежной частью для нашего оборудования.
Raydafon является ключевой дочерней компанией Ever-Power Group Co., Ltd.-мы не просто поставщик, но и поставщик для высококачественных компонентов передачи и промышленных решений, и мы уделяем особое внимание инновационным продуктам, таким как универсальное соединение SWC Cardan Cardan Want Universal Coupling. С тех пор, как мы начали, мы были о продвижении технологий и растут на глобальных рынках; Мы не остановились на продаже единых компонентов-теперь мы создаем полные решения, которые идеально соответствуют потребностям в сельскохозяйственном и тяжелом промышленности. Наши ноу-хау в приводных валах и продуктах передачи означает, что клиенты, которым нужна надежная универсальная соединительная связь с тяжелыми силами для операций на прокат-мельнице (и других жестких рабочих мест), могут рассчитывать на нас как на твердый партнер.
В Raydafon мы изготавливаем широкий спектр продуктов: коробки передач, приводные валы, гидравлические цилиндры, шкивы и даже передовые машины, такие как токарные станки с ЧПУ и фрезерные машины. Например, наши решения универсальных соединений с высоким содержанием точки, например, в серии SWC, созданные для выполнения строгих требований отраслей, которые нуждаются в долговечном объединении универсального вала SWC при подъеме и оборудовании для обработки материалов. У нас также есть передовые объекты: мастерские с ЧПУ, машины для шлифования и термообработки, 3D-инструменты измерения-все, чтобы придерживаться стандартов ISO9001/TS16949, поэтому каждый промышленный универсальный соединение, который мы производят, является высококачественным и точным.
Мы продаем 80% нашей продукции за рубежом, таким рынкам, как США, Германия, Япония, Италия, Малайзия, Австралия и Ближний Восток. И у нас есть сильная сеть в таких местах, как Китай, Южная Корея, Великобритания, Сингапур, США и Испания, чтобы поддержать это. Этот глобальный охват позволяет нам создавать индивидуальные решения, такие как универсальное соединение SWC, разработано для тяжелых систем универсального соединения с тяжелыми машинами, которые необходимо обрабатывать большие нагрузки и длиться долго.
Инновации и делают клиентов счастливыми нашими приоритетами. Мы предлагаем энергосберегающие универсальные решения для соединения, которые достигают до 98,6% эффективности передачи, сокращая эксплуатационные затраты для мощных настройки. Независимо от того, нужно ли вам эффективное универсальное соединение соединений для большей передачи мощности или универсальное соединение с низким шумом для мест, где имеет значение шум, наши продукты поставляются с профессиональным послепродажным обслуживанием-и мы стремимся делать все правильно. Вот почему Raydafon - лучший выбор для всех ваших потребностей в передаче.
Адрес
Промышленная зона Luotuo, район Чжэнхай, город Нинбо, Китай
Тел.
Электронная почта


+86-574-87168065


Промышленная зона Luotuo, район Чжэнхай, город Нинбо, Китай
Copyright © Raydafon Technology Group Co., Limited все права защищены.
Links | Sitemap | RSS | XML | политика конфиденциальности |
