QR код
Продукция
Контакты


Факс
+86-574-87168065

Электронная почта

Адрес
Промышленная зона Luotuo, район Чжэнхай, город Нинбо, Китай
Универсальная сварка Raydafon SWC-DH Короткая гибкая сварка построена для соединения смещенных валов в тяжелых передачах-бродячих катящихся мельницах, подъемниках и стальных обработке. Это компактная короткая универсальная муфта, с диаметром вращения, который варьируется от 45 мм до 390 мм. Даже когда валы выключены до 25 градусов (угловое смещение), он все еще эффективно перемещается по круту
Мы делаем это с высокопрочной сталью 35CRMO и добавляем четыре подшипника иглы, поэтому он удерживается под тяжелыми нагрузками. Вот почему это солидный выбор для универсальных муфт промышленного механизма, и он отлично работает, поскольку тяжелые оборудование сварки универсальные муфты в местах, где нагрузки остаются высокими. Его короткий дизайн идеально подходит для машин с небольшим пространством для осевых движений-вызывает жесткое исправление трансмиссии для жестких промышленных помещений.
Рэйдафон-это производитель китайского производства с сертификацией ISO 9001, поэтому мы придерживаемся строгого качества правил для каждой универсальной связи SWC-DH. Крестный вал получает хромированную тарелку для борьбы с коррозией, поэтому она длится даже тогда, когда условия резкие. Сварное иго также облегчает установку - просто выровняйте шахты правильно, и оно работает в лучшем виде. Вы найдете его на Gear в металлургии, добыче и кранах, без проблем.
Кроме того, эта связь бывает разных размеров и рейтингов крутящего момента. Если вам нужна пользовательская универсальная связь для промышленного механизма - скажем, для комбайнов или другого конкретного снаряжения - мы можем адаптировать его к вашим потребностям, а цена остается конкурентоспособной. У нас есть ноу-хау производства, чтобы сделать это короткое гибкое соединение сокращением времени простоя оборудования, поэтому ваши машины работают более надежно.
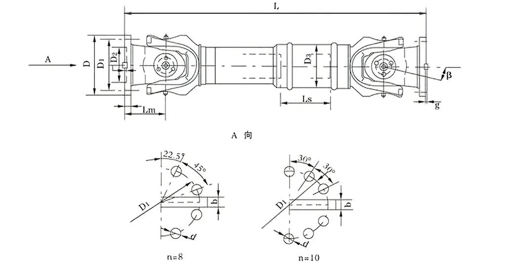
| Нет. | Диаметр вращения d мм | Номинальный крутящий момент Теннесение Кн · м | Угол сгиба β (°) | Усталый крутящий момент TF Кн · м | Гибкое количество LS MM | Размер (мм) | Вращающаяся инерция кг2 | Вес (кг) | |||||||||||
| Лмin | D1 (JS11) | D2 (H7) | D3 | Лм | н-д | k | t | b (H9) | g | Лмin | Увеличивать 100 мм | Лмin | Увеличивать 100 мм | ||||||
| SWC180DH1 | 180 | 20 | 10 | ≤25 | 75 | 650 | 155 | 105 | 114 | 110 | 8-17 | 17 | 5 | - | - | 0.165 | 0.0070 | 58 | 2.8 |
| SWC180DH2 | 55 | 600 | 0.162 | 56 | |||||||||||||||
| SWC180DH3 | 40 | 550 | 0.160 | 52 | |||||||||||||||
| SWC225DH1 | 225 | 40 | 20 | ≤15 | 85 | 710 | 196 | 135 | 152 | 120 | 20 | 5 | 32 | 9.0 | 0.415 | 0.0234 | 95 | 4.9 | |
| SWC225DH2 | 70 | 640 | 0.397 | 92 | |||||||||||||||
| SWC250DH1 | 250 | 63 | 31.5 | ≤15 | 100 | 795 | 218 | 150 | 168 | 140 | 8-19 | 25 | 6 | 40 | 12.5 | 0.900 | 0.0277 | 148 | 5.3 |
| SWC250DH2 | 70 | 735 | 0.885 | 136 | |||||||||||||||
| SWC285DH1 | 285 | 90 | 45 | ≤15 | 120 | 950 | 245 | 170 | 194 | 160 | 8-21 | 27 | 7 | 40 | 15.0 | 1.876 | 0.0510 | 229 | 6.3 |
| SWC285DH2 | 80 | 880 | 1.801 | 221 | |||||||||||||||
| SWC315DH1 | 315 | 125 | 63 | ≤15 | 130 | 1070 | 280 | 185 | 219 | 180 | 10-23 | 32 | 8 | 40 | 15.0 | 3.331 | 0.0795 | 346 | 8.0 |
| SWC315DH2 | 90 | 980 | 3.163 | 334 | |||||||||||||||
| SWC350DH1 | 350 | 180 | 90 | ≤15 | 140 | 1170 | 310 | 210 | 267 | 194 | 10-23 | 35 | 8 | 50 | 16.0 | 6.215 | 0..2219 | 508 | 15.0 |
| SWC350DH2 | 90 | 1070 | 5.824 | 485 | |||||||||||||||
| SWC390DH1 | 390 | 250 | 125 | ≤15 | 150 | 1300 | 345 | 235 | 267 | 215 | 10-25 | 40 | 8 | 70 | 18.0 | 11.125 | 0.2219 | 655 | |
| SWC390DH2 | 90 | 1200 | 10.763 | 600 | |||||||||||||||
* 1. TF-под руководством чередования загружает крутящий момент, который позволяет в соответствии с силой усталости. * 2. lmin-наименьшая длина после разреза. * 3. L-INSTALL Длина, которая в соответствии с требованием
Универсальное соединение SWC, часто называемое универсальным соединением SWC Cardan Cardan Waft, является ключевым компонентом в промышленных сценариях тяжелых. Это необходимо для прокатных мельниц, подъемного механизма и различных крупномасштабных систем тяжелой машины. В качестве универсального соединения с высоким содержанием точки, она может эффективно подключать два вала передачи с неконкурентными осями, обеспечивая непрерывную передачу мощности даже в сложных и суровых условиях труда.
Основные технические параметры этой связи следующие:
Диаметр вращения: φ58 - φ620
Номинальный крутящий момент: 0,15 - 1000 кН · м
Угол складки оси: ≤25 °
В практических приложениях он работает исключительно хорошо. Например, во время операций на холмке, когда необходима надежная универсальная соединительная связь с тяжелым универсальным соединением, посвященная катящимся мельницам, или в оборудовании для подъема и обработки материалов, когда требуется прочный универсальный соединительный вал SWC, этот продукт полностью компетентен. Даже при тяжелых нагрузках он может стабильно поддерживать эксплуатационную стабильность оборудования.
Универсальная совместная связь SWC разработана с использованием принципов передовых инженерных инженеров, обеспечивая исключительные результаты и более длительный срок службы в промышленных средах. Его основные структурные особенности следующие:
Разумная и безопасная структура: с интегрированной конструкцией головы вилки, эта промышленная универсальная соединительная связь снижает риск ослабления или поломки болта, увеличивая прочность на структуре на 30-50%. Этот дизайн обеспечивает безопасную и надежную работу, продлевает срок службы по сравнению с традиционными моделями и предотвращает общие сбои в сценариях высокого давления, таких как системы универсального соединения с тяжелыми машинами.
Усовершенствованная грузоподъемная емкость: универсальная соединительная связь SWC, специально предназначенная для того, чтобы нести тяжелые нагрузки, что делает его важным в сценариях, требующих превосходного управления нагрузкой, таких как добыча или строительный механизм.
Высокая эффективность передачи: с эффективностью до 98,6%эта эффективная универсальная соединительная связь для мощности передачи значительно снижает потребление энергии и связанные с этим затраты, что делает его первым выбором для энергосберегающих решений универсального соединения в мощных системах промышленной передачи.
Стабильная работа с низким шумом: эта универсальная соединительная связь с низким шумом работает стабильно с уровнями шума, как правило, между 30-40 дБ (а), обеспечивая тихой производительности. Он идеально подходит для чувствительной к шуму средам при сохранении высокой надежности.
Универсальные соединительные муфты, особенно универсальная соединительная связь SWC Cardan Cardan, стали незаменимыми компонентами передачи в промышленных приложениях из -за их выдающихся преимуществ. Они могут удовлетворить основные потребности с их производительностью в таких областях, как тяжелый механизм, точное производство и передача энергии. Ниже приведен подробный анализ их ключевых преимуществ:
1. Сильная передача крутящего момента и отличная компенсация смещения
Как универсальное соединение с высоким точками, она может стабильно передавать мощные нагрузки. Даже в сценариях, где смещение вала часто встречается во время операций на холмке, таких как осевое смещение, вызванное износом ролика и изменением температуры во время прокатывания стали,-это надежное универсальное соединение с тяжелыми силами для операций на холмистых мельницах может с легкостью. Он может одновременно компенсировать угловые, осевые и радиальные смещения, с максимальным угловым смещением до 25 градусов. Эта превосходная адаптивность смещения предотвращает джемы передачи, вызванные смещением вала, обеспечивает непрерывную и стабильную доставку мощности, значительно снижает вероятность механических сбоев в условиях чрезвычайных рабочих мест и гарантирует непрерывную работу производственных линий.
2. Высокая долговечность и более длительный срок службы
Дизайн и выбор материалов универсальных соединений SWC сосредоточены на «сопротивлении тяжелых нагрузках и выдержании суровых сред». Основной корпус изготовлен из высокопрочной сплавной стали, в сочетании со встроенной структурой головки вилки, которая принципиально снижает общие точки отказа, такие как ослабление болта и разрыв компонентов. В качестве примера, принимая прочную связь с универсальным валом SWC, используемой в оборудовании для подъема и обработке материалов, она может противостоять мгновенной ударной нагрузке при подъеме тяжелых объектов и поддерживать стабильные характеристики в суровых условиях, таких как пыль и высокие температуры. По сравнению с традиционными муфтами разделенной структуры, эта промышленная универсальная соединительная связь имеет общую прочность на 30-50%, что не только снижает частоту ежедневного обслуживания, но также продлевает срок службы на 2-3 года. Это особенно подходит для долгосрочных операционных потребностей в тяжелых машинах универсальных соединений.
3. Высокая эффективность передачи и значительный энергетический эффект
Тесты показали, что эффективность передачи всесторонней универсальной суставной связи SWC достигает 98,6%, что имеет очевидные преимущества в мощных сценариях промышленной передачи, такие как вентиляторы с взрывами на сталелитейных заводах и системы конвейера по углям на электростанциях. Для оборудования, которое требует непрерывной мощности передачи, сопоставление с этим эффективным универсальным соединением для большей передачи мощности может минимизировать потерю мощности. Для предприятий, преследующих энергосберегающие универсальные решения для соединений, эта высокая эффективность может быть непосредственно преобразована в преимущества затрат: в качестве примера можно сэкономить промышленный двигатель мощностью 1500 кВт, он может сэкономить более 12 000 юаней в затратах на электроэнергию в год и может помочь предприятиям снизить значительные эксплуатационные расходы в долгосрочном использовании, одновременно соблюдая энергосберегающую и изменяющую потребление в промышленном поле.
4. Стабильная и тихая операция, подходящая для нескольких сценариев
Оптимизируя точность подшипника и используя смазочную смазку с низким коэффициентом трения, эксплуатационный шум этого универсального соединения с низким шумом строго контролируется при 30-40 дБ (а), что эквивалентно уровню окружающего шума ежедневного офиса и полностью соответствует стандартам шумового излучения промышленных сайтов. В чувствительных к шуму сценариям, таких как производственные линии на пищевых заводах и передаваемость оборудования для точных электронных компонентов, они могут не только обеспечить стабильность и надежность системы передачи, но и избежать влияния на среду семинара или эксплуатационный опыт сотрудников из-за шума. В то же время стабильные характеристики передачи могут также уменьшить износ окружающих компонентов, вызванных вибрацией оборудования, еще больше улучшая рабочую стабильность и срок службы всей производственной системы.
Универсальная сварка SWC-DH с коротким гибким сваркой, часто называемая универсальной муфтой SWC Cardan Shaft, в основном используется в сценариях тяжелых машин, таких как холмистые мельницы и подъемники. Этот тип оборудования имеет чрезвычайно высокие требования для структурной компактности и гибкости - только при выполнении этих двух точек могут быть эффективны, и эта связь идеально отвечает таким потребностям. Как универсальная соединительная связь с высоким содержанием точки, она может эффективно подключать два вала передачи с неконкурентными осями, обеспечивая бесшовную передачу мощности даже в суровых промышленных средах, которые требуют точной компенсации за смещение системы вала.
В практических приложениях, будь то надежное универсальное соединение универсального сустава для операций на холмистых мельницах во время работы на прокат-мельнице, или для подъема и оборудования для обработки материалов требуется долговечная связка SWC, он может поддерживать стабильное оборудование даже при экстремальных нагрузках. Его преимущество адаптивности особенно заметно в компоновке компактных оборудования, где пространство ограничено, и требуется короткая гибкая конструкция.
Эта индустриальная совместная связь SWC-DH построена с помощью передовых инженерных технологий и оптимизирован для срока службы и срока службы, специально предназначенных для промышленных сценариев. Его основная структурная особенность заключается в его разумной и безопасной конструкции: интегрированная структура головки вилки в корне устраняет скрытую опасность ослабления или поломки болта, увеличивая общую прочность на 30-50%. Эта конструкция не только обеспечивает безопасность и надежность работы, но также продлевает срок службы по сравнению с традиционными моделями, одновременно избегая общих проблем с неудачами в сценариях применения с высоким уровнем стресса, такими как системы универсального соединения с тяжелыми машинами.
Кроме того, его несущая грузоподъемность повышается за счет проектирования, чтобы противостоять большим весам, поэтому эта универсальная муфта с тяжелыми мощными суставами SWC очень подходит для сценариев с строгими требованиями к несущей грузоподъемности, такими как горнодобывающие машины и строительное оборудование. С точки зрения эффективности передачи, он достигает 98,6%. В качестве эффективного универсального соединения соединений для большой передачи мощности она может значительно снизить расходы на потребление энергии и электроэнергию, что делает его предпочтительным продуктом для энергосберегающих решений универсального соединения в области мощной промышленной передачи.
Наконец, эта связь имеет стабильную передачу с рабочим шумом, обычно контролируемым при 30-40 дБ (а), что делает ее универсальным соединением с низким шумом. Эта характеристика позволяет ему тихо работать даже в промышленных сценариях, чувствительных к шуму, при этом постоянно поддерживая высокую надежность.
⭐⭐⭐⭐⭐ Wang Lei, инженер проекта, Guangdong Heavy Machinery Co., Ltd.
Мы уже давно используем SWC-DH SWC-DH SWC-DH SHIC-DH, и это было приятным сюрпризом, особенно когда речь идет о вписывании в узкие места. Наше оборудование имеет довольно ограниченное пространство для деталей передачи, но компактная конструкция этой связи подходит как перчатка, не нужно переставлять другие компоненты, чтобы заставить его работать.
Что еще лучше, так это то, что он не жертвует производительностью за размер. Он по-прежнему обеспечивает сильную, устойчивую передачу крутящего момента-критическая для наших тяжелых операций. Мы непрерывно управляем этим в течение нескольких недель, и была нулевая аномальная вибрация; Вся система остается гладкой. Качество сварки также является еще одним изюминкой-вы можете сказать, что это солидно, просто взглянув на него, что дает нам полную уверенность, что он будет придерживаться долгосрочного использования. Для связи, которая уравновешивает дизайн и надежность, это победитель.
⭐⭐⭐⭐⭐ Чжао Мин, менеджер по закупкам, Tianjin Steel Equipment Co., Ltd.
Недавно мы заказали несколько муфт SWC-DH от Рэйдафона, и я должен сказать, что весь процесс закупок был легким-без головной боли, без задержек. С того момента, как мы отправили в заказ, их команда была отзывчивой, и доставка появилась прямо в запланированную дату, что является большим плюсом для поддержания нашего производства на пути. Упаковка также была первоклассной: каждая связь была надежно обернута, никаких вмятин или повреждений во время доставки-просто готово к распакованию и установке.
Наша техническая команда справилась с установкой, и они сразу упомянули, как легко это было установить. Никаких сложных шагов, не нужно охотиться на специальные инструменты - они быстро установили его, и с тех пор он работает надежно. Когда вы учитываете разумную цену в сочетании с этой последовательной производительностью, ясно, что эта связь предлагает большую ценность. Мы уже планируем сохранить его в нашем обычном списке закупок; Это тот продукт, который облегчает мою работу как покупателя.
⭐⭐⭐⭐⭐ Лю Хонг, директор по техническому обслуживанию, Shandong Industrial Group
Как человек, который наблюдает за обслуживанием оборудования, мой самый большой приоритет - сокращение простоя и сокращение времени, которое моя команда тратит на обслуживание деталей. Соединение Raydafon SWC-DH идеально проверяет обе эти коробки. Мы используем его в оборудовании, которое ежедневно работает под тяжелыми рабочими нагрузками, и он никогда не проскальзывает и не сдвигается - твердо на месте, без рыхлых соединений. Даже после нескольких месяцев использования, нет никаких признаков износа, что является огромным контрастом с другими муфтами, которые мы использовали ранее.
С этими более старыми муфтами мы всегда планировали быстрые исправления или замены части, которые ели в производство и добавляли затраты. Вот этот? Мы едва касаемся этого - без частых обслуживания, никаких неожиданных сбоев. Это сэкономило нам так много времени и денег на техническое обслуживание, и он просто продолжает выполнять свою работу надежно. В наши дни это стало представленным компонентом в наших ежедневных операциях; Мне не нужно беспокоиться об этом, что позволяет мне сосредоточиться на других приоритетах. Это именно та надежная часть, которую нуждается каждая команда технического обслуживания.
Адрес
Промышленная зона Luotuo, район Чжэнхай, город Нинбо, Китай
Тел.
Электронная почта


+86-574-87168065


Промышленная зона Luotuo, район Чжэнхай, город Нинбо, Китай
Copyright © Raydafon Technology Group Co., Limited все права защищены.
Links | Sitemap | RSS | XML | политика конфиденциальности |
